Getstudysolution is an online educational platform that allows students to access quality educational services and study materials at no cost.
1. Fill in the blanks.
(a) Most liquids that conduct electricity are solutions of , ______________ and ______________.
(b) The passage of an electric current through a solution causes ______________ effects.
(c) If you pass current through copper sulphate solution, copper gets deposited on the plate connected to the ___________terminal of the battery.
(d) The process of depositing a layer of any desired metal on another material by means of electricity is called _________.
Soln:
(a) Most liquids that conduct electricity are solutions of acids, bases and salts.
(b) The passage of an electric current through a solution causes chemical effects.
(c) If you pass current through copper sulphate solution, copper gets deposited on the plate connected to the negative terminal of the battery.
(d) The process of depositing a layer of any desired metal on another material by means of electricity is called electroplating.
2. When the free ends of a tester are dipped into a solution, the magnetic needle shows deflection. Can you explain the reason?
Soln:
The compass needle shows a deflection which concludes that current is flowing through the wire. The circuit becomes complete as the free ends of the tester are immersed inside the solution. So, the solution is conducting solution hence deflection is obtained in the compass needle.
3. Name three liquids, which when tested in the manner shown in Fig.14.9, may cause the magnetic needle to deflect.

Soln:
I. Saltwater
II. Lemon juice
III. Vegetable oil
These liquids can be taken in a beaker to show the passage of electricity as they will show a deflection in the magnetic needle.
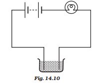
4. The bulb does not glow in the setup shown in Fig.14.10. List the possible reasons. Explain your answer.

Soln:
The possibility of the bulb not glowing maybe because of the following reasons:
a. The liquid may be non-conducting. In this case, the circuit is incomplete and the current does not pass through the liquid.
b. Electric current may be weak for the circuit is made up of a material which is not a good conductor of electricity or there is insufficient energy in the battery to generate electricity.
5. A tester is used to check the conduction of electricity through two liquids, labelled A and B. It is found that the bulb of the tester glows brightly for liquid A while it glows very dimly for liquid B. You would conclude that
(i) liquid A is a better conductor than liquid B.
(ii) liquid B is a better conductor than liquid A.
(iii) both liquids are equally conducting.
(iv) conducting properties of liquid cannot be compared in this manner.
Soln:
Liquid A is a better conductor than liquid B.
The conductivity of the solution determines the amount of current flowing through the solution. Greater the conductivity, greater will be the quantity current passing through the solution and lesser the conductivity, the quantity of current passing through will be correspondingly less. So, the conductivity of liquid A is more than the conductivity of liquid B.
6. Does pure water conduct electricity? If not, what can we do to make it conducting?
Soln:
Pure water does not conduct electricity as it does not contain any type of salts. Adding, a small amount of Common salt (Sodium Chloride ie,.NaCl) will turn the water to a conducting medium.
7. In case of a fire, before the firemen use the water hoses, they shut off the main electrical supply for the area. Explain why they do this.
Soln:
In case of a fire, before the firemen use the water hoses, they shut off the main electrical supply for the area because water sprayed from the hose might conduct electricity which may come in contact with the electrical appliances which increases the chance of electricity passing through wire. This may hurt fire man.
8. A child staying in a coastal region tests the drinking water and also the seawater with his tester. He finds that the compass needle deflects more in the case of seawater. Can you explain the reason?
Soln:
The amount of dissolved salts present in the seawater is more than that of the drinking water. So, the sea water will be a better conductor than the drinking water. That is the reason behind the increased deflection of the needle in the seawater when compared with the drinking water.
9. Is it safe for the electrician to carry out electrical repairs outdoors during heavy downpour? Explain.
Soln:
No. It is not safe to repair electrical appliances outdoors during a heavy downpour. Rainwater is composed of a certain percentage of dissolved salts making it conductive. This may cause electric shocks and harm the electrician while working outdoors during heavy downpours.
10. Paheli had heard that rainwater is as good as distilled water. So she collected some rainwater in a clean glass tumbler and tested it using a tester. To her surprise she found that the compass needle showed deflection. What could be the reasons?
Soln:
Rainwater is composed of a certain percentage of dissolved salts making it conductive. This makes the deflection in the compass.
11. Prepare a list of objects around you that are electroplated.
Soln:
Chromium plating: This is done on exterior parts of automobiles in order to obtain a shiny appearance.
Gold Plating: Silver ornaments are coated with a thin layer of gold and the product are called Gold-plated Ornaments.
Zinc Plating: Iron used for Construction are coated with a Zinc layer in order to protect them from corrosion and rusting.
12. The process that you saw in Activity 14.7 is used for purification of copper. A thin plate of pure copper and a thick rod of impure copper are used as electrodes. Copper from impure rod is sought to be transfered to the thin copper plate. Which electrode should be attached to the positive terminal of the battery and why?
Soln:
The thick rod of impure copper plate is to be attached to the positive terminal of the battery because when electric current is passed through the copper sulphate solution, it gets dissociated into copper and sulphate. The free copper, being positively charged, gets drawn to the negative terminal of the battery and gets deposited on it. On the other hand the loss of copper from the solution is regained from the impure copper rod which is attached to the positive terminal of the battery.